TSSC-J09 Single & Dual Cartridge Seal
TSSC-J09 Operating Limits : Pressure: 3MPa Speed: 20m/s Temperature: -80℃~+200℃(water quench) Rotary Ring (SiC/Carbon/TC) Stationary Ring (SiC) Secondary Seal (VITON/AFLAS/Kalrez) Other Parts (C-2...
We are here to solve your problems professionally
Contact Now
- Tel:0086-21-58355541
- Fax:0086-21-58353141
- Email: trisun24@trisunltd.com(sales)

|
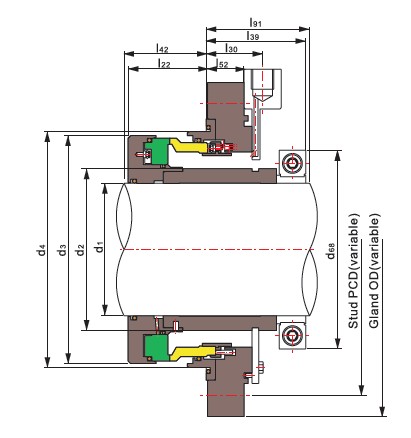
d1 |
d2 |
d3 |
d4 |
d68 |
l22 |
l30 |
l39 |
l42 |
l52 |
l91 |
|
30 |
35 |
67 |
73 |
73 |
32.5 |
34 |
54.5 |
35.5 |
20 |
57.5 |
|
41.3 |
47 |
85 |
91 |
89 |
32.5 |
37 |
60.5 |
35.5 |
23 |
63.5 |
|
48 |
54 |
90 |
96 |
93 |
34.5 |
40 |
63.5 |
37.5 |
26 |
66.5 |
|
55 |
62 |
100 |
106 |
104 |
34.5 |
40 |
63.5 |
37.5 |
26 |
66.5 |
|
70 |
78 |
119 |
125 |
121 |
40.5 |
40 |
63.5 |
43.5 |
26 |
66.5 |
|
76.2 |
85 |
130 |
136 |
135 |
47.5 |
41 |
66.5 |
50.5 |
27 |
69.5 |
|
86 |
96 |
138.5 |
144.5 |
141 |
45.5 |
41 |
66.5 |
48.5 |
27 |
69.5 |
|
92 |
102 |
148 |
154 |
147 |
45.5 |
41 |
66.5 |
48.5 |
27 |
69.5 |
|
112 |
122 |
172 |
178 |
186 |
59 |
42.5 |
75 |
62 |
28.5 |
78 |
|
124 |
134 |
187 |
193 |
195 |
59 |
42.5 |
75 |
62 |
28.5 |
78 |
|
140 |
152 |
205 |
211 |
215 |
59 |
42.5 |
75 |
62 |
28.5 |
78 |
|
158 |
170 |
225 |
231 |
235 |
60.5 |
46 |
78.5 |
63.5 |
32 |
81.5 |
|
165.1 |
178 |
240 |
246 |
245 |
60 |
46.5 |
79 |
63 |
32.5 |
82 |
|
194 |
208 |
266 |
272 |
280 |
60 |
46.5 |
79 |
63 |
32.5 |
82 |
|
200 |
215 |
275 |
281 |
285 |
67.4 |
49.5 |
82 |
70.4 |
35.5 |
85 |
|
220 |
234 |
288 |
294 |
295 |
69.3 |
49.5 |
82 |
72.3 |
35.5 |
85 |
You can fill out the form below to send your contact information and product demand submitted to us. We will solve as soon as possible! Thank you! To be able to contact you promptly and make sure you complete the full contact and demand information






















