products

Mixer and Agitator Seal

TSMA-A03 Mixer and Agitator Seal(replace AESSEAL CSM )

TSMA-A03 Mixer and Agitator Seal(replace AESSEAL CSM )

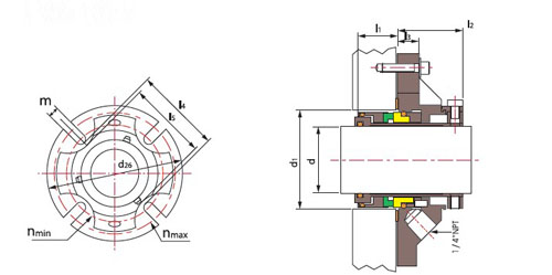
TSMA-A03 TSMB-B03 Operating Limits : Pressurel: 2.1MPa Speed: 25m/s Temperature: -30˚C~+220˚C Rotary Ring (SiC/Carbon/TC) Stationary Ring (SiC/TC) Secondary Seal (VlTON/Encapsulated Ring/PTFE) Other...

We are here to solve your problems professionally
Contact Now

Contact
  • TSMA-A03 Mixer and Agitator Seal(replace AESSEAL CSM )
  • TSMA-A03 Mixer and Agitator Seal(replace AESSEAL CSM )
  • TSMA-A03 Mixer and Agitator Seal(replace AESSEAL CSM )
  • TSMA-A03 Mixer and Agitator Seal(replace AESSEAL CSM )
TSMA-A03
TSMB-B03
Operating Limits :
Pressurel: ≤2.1MPa
Speed: ≤25m/s
Temperature: -30˚C~+220˚C
 
Rotary Ring (SiC/Carbon/TC)
Stationary Ring (SiC/TC)
Secondary Seal (VlTON/Encapsulated Ring/PTFE)
Other Parts (SUS304/SUS316/Titanium/Hastelloy-C)

d
 (inches)

d26

l4

l5

l3

d1

n

m

l1

l2

K

min

mint

max

min

max

max

max

1.000

4.125

2.125

1.937

0.519

1.625

1.665

1.937

2.687

3.562

1/2

1.125

1.590

0.040

1.125

4.250

2.250

2.063

0.519

1.750

1.790

2.062

2.812

3.687

1/2

1.125

1.590

0.040

1.250

4.375

2.375

2.187

0.519

1.875

1.915

2.187

2.937

3.812

1/2

1.125

1.590

0.040

1.375

4.375

2.500

2.312

0.519

2.000

2.040

2.250

3.062

3.812

1/2

1.125

1.590

0.040

1.500

5.000

2.812

2.562

0.644

2.250

2.290

2.375

3.375

4.437

1/2

1.125

1.752

0.040

1.625

5.000

2.812

2.562

0.644

2.375

2.415

2.500

3.375

4.437

1/2

1.125

1.752

0.040

1.750

5.500

3.187

2.812

0.644

2.500

2.540

2.750

3.750

4.937

1/2

1.125

1.752

0.040

1.875

5.500

3.187

2.812

0.644

2.625

2.665

2.875

3.750

4.937

1/2

1.125

1.752

0.040

2.000

6.000

3.562

3.063

0.644

2.750

2.790

3.000

4.125

5.437

1/2

1.125

1.752

0.040

2.000-AC

5.250

3.450

3.035

0.644

2.750

2.790

3.000

4.000

4.750

1/2

1.125

1.752

0.040

2.125

6.000

3.562

3.063

0.644

2.875

2.915

3.125

4.125

5.437

1/2

1.125

1.752

0.040

2.250

6.500

3.812

3.312

0.644

3.000

3.040

3.250

4.500

5.812

5/8

1.125

1.752

0.040

2.375

6.500

3.812

3.312

0.644

3.125

3.165

3.375

4.500

5.812

5/8

1.125

1.752

0.040

2.500

7.000

4.312

3.812

0.769

3.375

3.435

3.625

5.000

6.312

5/8

1.250

1.877

0.060

2.625

7.000

4.312

3.812

0.769

3.500

3.560

3.750

5.000

6.312

5/8

1.250

1.877

0.060

2.750

7.000

4.312

3.812

0.769

3.625

3.685

3.875

5.000

6.312

5/8

1.250

1.877

0.060

2.875

7.500

4.937

4.250

0.769

3.750

3.810

4.125

5.625

6.812

5/8

1.250

1.877

0.060

3.000

7.500

4.937

4.250

0.769

3.875

3.935

4.250

5.625

6.812

5/8

1.250

1.877

0.060

3.125

7.500

4.937

4.250

0.769

4.000

4.060

4.375

5.625

6.812

5/8

1.250

1.877

0.060

3.250

8.000

5.312

4.625

0.769

4.125

4.185

4.500

6.125

7.187

3/4

1.250

1.877

0.060

3.375

8.000

5.312

4.625

0.769

4.250

4.310

4.625

6.125

7.187

3/4

1.250

1.877

0.060

3.500

8.000

5.312

4.625

0.769

4.375

4.435

4.750

6.125

7.187

3/4

1.250

1.877

0.060

3.625

8.500

5.937

5.000

0.769

4.500

4.560

5.000

6.750

7.687

3/4

1.250

1.877

0.060

3.750

8.500

5.937

5.000

0.769

4.625

4.685

5.125

6.750

7.687

3/4

1.250

1.877

0.060

3.875

8.500

5.937

5.000

0.769

4.750

4.810

5.250

6.750

7.687

3/4

1.250

1.877

0.060

4.000

9.000

6.625

5.375

0.769

4.875

4.935

5.500

7.437

8.187

3/4

1.250

1.877

0.060

4.125

9.000

6.625

5.375

0.769

5.125

5.185

5.875

7.437

8.187

3/4

1.250

1.877

0.060

4.250

9.000

6.625

5.375

0.769

5.125

5.185

5.875

7.437

8.187

3/4

1.250

1.877

0.060

4.375

9.500

7.000

5.750

0.769

5.375

5.435

6.250

7.812

8.687

3/4

1.250

1.877

0.060

4.500

9.500

7.000

5.750

0.769

5.375

5.435

6.250

7.812

8.687

3/4

1.250

1.877

0.060

4.625

10.000

7.345

6.125

0.769

5.625

5.685

6.625

8.312

9.062

7/8

1.250

1.877

0.060

4.750

10.000

7.345

6.125

0.769

5.625

5.685

6.625

8.312

9.062

7/8

1.250

1.877

0.060

4.875

10.000

7.345

6.125

0.769

5.875

5.935

6.625

8.312

9.062

7/8

1.250

1.877

0.060

5.000

10.000

7.345

6.125

0.769

5.875

5.935

6.625

8.312

9.062

7/8

1.250

1.877

0.060


d
 (mm)

d26

l4

l5

l3

d1

n

l1

l2

K

min

mint

max

min

max

max

24

104.8

54.0

49.2

13.2

40.0

41.0

46.0

67.0

90.5

28.6

40.5

1.0

25

104.8

54.0

49.2

13.2

41.0

42.0

49.0

67.0

90.5

28.6

40.5

1.0

28

108.0

57.2

52.4

13.2

44.0

45.0

52.3

70.3

93.6

28.6

40.5

1.0

30

111.0

60.4

55.6

13.2

46.0

47.0

55.5

73.5

96.8

28.6

40.5

1.0

32

111.0

60.4

55.6

13.2

48.0

49.0

55.5

73.5

96.8

28.6

40.5

1.0

33

111.0

60.4

55.6

13.2

49.0

50.0

55.5

73.5

96.8

28.6

40.5

1.0

35

111.0

63.5

58.8

13.2

51.0

52.0

57.5

76.6

96.8

28.6

40.5

1.0

38

127.0

71.5

65.0

16.4

57.2

58.2

60.4

85.7

114.3

28.6

44.5

1.0

40

127.0

71.5

65.0

16.4

58.0

59.0

60.4

85.7

114.3

28.6

44.5

1.0

43

139.7

81.0

71.4

16.4

61.0

62.0

69.9

95.3

127.0

28.6

44.5

1.0

45

139.7

81.0

71.4

16.4

63.5

64.5

69.9

95.3

127.0

28.6

44.5

1.0

48

139.7

81.0

71.4

16.4

66.7

67.7

73.0

95.3

127.0

28.6

44.5

1.0

50

152.4

90.5

77.8

16.4

68.0

69.0

76.2

104.8

139.7

28.6

44.5

1.0

53

152.4

90.5

77.8

16.4

71.0

72.0

76.2

104.8

139.7

28.6

44.5

1.0

55

165.1

96.8

84.1

16.4

74.0

75.0

82.5

114.3

149.2

28.6

44.5

1.0

58

165.1

96.8

84.1

16.4

76.2

77.2

82.5

114.3

149.2

28.6

44.5

1.0

60

165.1

96.8

84.1

16.4

79.4

80.4

85.7

114.3

149.2

28.6

44.5

1.0

63

177.8

109.5

96.8

19.6

85.8

87.3

92.1

127.0

160.3

31.8

47.7

1.5

65

177.8

109.5

96.8

19.6

88.9

90.4

95.3

127.0

160.3

31.8

47.7

1.5

68

177.8

109.5

96.8

19.6

92.1

93.6

98.4

127.0

160.3

31.8

47.7

1.5

70

177.8

109.5

96.8

19.6

92.1

93.6

98.4

127.0

160.3

31.8

47.7

1.5

75

190.5

125.4

108.0

19.6

98.5

100.0

108.0

142.9

173.0

31.8

47.7

1.5

80

190.5

125.4

108.0

19.6

101.6

103.1

111.1

142.9

173.0

31.8

47.7

1.5

85

203.2

135.0

117.5

19.6

108.0

109.5

117.5

155.6

182.5

31.8

47.7

1.5

90

215.9

150.8

127.0

19.6

114.3

115.8

127.0

171.5

195.2

31.8

47.7

1.5

95

215.9

150.8

127.0

19.6

117.5

119.0

130.2

171.5

195.2

31.8

47.7

1.5

100

228.6

168.3

136.5

19.6

123.9

125.4

139.7

188.9

208.0

31.8

47.7

1.5

105

228.6

168.3

136.5

19.6

130.1

131.6

149.2

188.9

208.0

31.8

47.7

1.5

110

2413

177.8

146.1

19.6

136.5

138.0

158.8

198.4

220.6

31.8

47.7

1.5

115

254.0

186.6

155.8

19.6

142.9

144.4

168.3

211.1

230.2

31.8

47.7

1.5

120

254.0

186.6

155.8

19.6

142.9

144.4

168.3

211.1

230.2

31.8

47.7

1.5

125

254.0

186.6

155.8

19.6

149.2

150.7

168.3

211.1

230.2

31.8

47.7

1.5

Feedback

You can fill out the form below to send your contact information and product demand submitted to us. We will solve as soon as possible! Thank you! To be able to contact you promptly and make sure you complete the full contact and demand information

  • *
  • *
  • *
  • *
  • *

Feedback